Home » » you need to know about these ..useful information.

you need to know about these ..useful information.


..............

                                   .::ManindarKumar::.
          .::"I have no money, no resources, no hopes. I am the happiest man alive !"::.

       



Facebook:Marine NotesTwitter:ACMWCTRss:ACMWCT
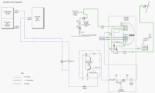
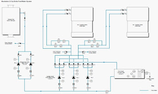
Marine Notes - MMD Exams India and Baiscs
URL: HTML link code: BB (forum) link code:
© Marine Notes - MMD Exams India and Basics (M&K Groups Ltd)

0 comments:

Facebook Marine Notes
Twitter Marine Notes
Rss Marine Notes
MMD results india

Followers

Image and video of marinenotes
Marine Notes Help Desk